Quảng cáo
1 câu trả lời 468
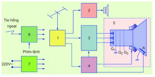
* Sơ đồ khối của máy thu hình màu:

1. Khối cao tần, trung tần, tách sóng: Nhận tín hiệu cao tần từ anten, khuếch đại, xử lí, tách sóng hình, tự động điều chỉnh tần số ngoại sai và hệ số khuếch đại sau đó đưa tới các khối 2, 3, 4.
2. Khối xử lí tín hiệu âm thanh: Nhận tín hiệu sóng mang âm thanh, khuếch đại, tách sóng điều tần và khuếch đại âm tần để phát ra loa.
3. Khối xử lí tín hiệu hình: Nhận tín hiệu hình, khuếch đại, giải mã màu, sau đó khuếch đại ba tín hiệu màu (đỏ, lục lam) rồi đưa tới ba catôt đèn hình màu.
4. Khối đồng bộ và tạo xung quét: Tách xung đồng bộ dòng, xung đồng bộ mành và tạo xung quét dòng, xung quét mành đưa tới cuộn lái tia của đèn hình. Đồng thời còn tạo ra cao áp đưa tới anôt đèn hình.
5. Khối phục hồi hình ảnh (đèn hình màu): Nhận tín hiệu hình ảnh màu, tính hiệu quét để phục hồi hình ảnh hiện lên màn hình.
6. Khối xử lí và điều khiển: Nhận lệnh điều khiển từ xa hay từ phím bấm để điều khiển các hoạt động của máy thu hình.
7. Khối nguồn: Tạo các mức điện áp cần thiết cung cấp cho máy làm việc.
Quảng cáo
Bạn cần hỏi gì?
Câu hỏi hot cùng chủ đề
-
Đã trả lời bởi chuyên gia
105867 -
Đã trả lời bởi chuyên gia
46814 -
Đã trả lời bởi chuyên gia
29311 -
Đã trả lời bởi chuyên gia
27638 -
Hỏi từ APP VIETJACK
Đã trả lời bởi chuyên gia
25451
