Quảng cáo
1 câu trả lời 490
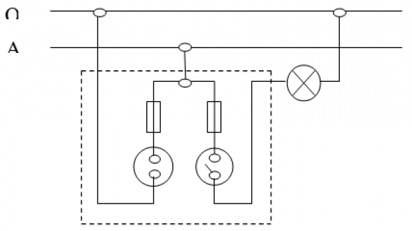
Sơ đồ lắp đặt mạch điện bảng điện gồm 2 cầu chì, 1 ổ cắm điện, 1 công tắc điều khiển 1 bóng đèn

Hồ Đức Trọng
· 2 năm trước
Hahah
Quảng cáo
Bạn cần hỏi gì?
Câu hỏi hot cùng chủ đề
-
Đã trả lời bởi chuyên gia
66845 -
Đã trả lời bởi chuyên gia
32905 -
Đã trả lời bởi chuyên gia
32192 -
Đã trả lời bởi chuyên gia
27726 -
Đã trả lời bởi chuyên gia
24055 -
Hỏi từ APP VIETJACK
Đã trả lời bởi chuyên gia
20416 -
Đã trả lời bởi chuyên gia
19922 -
Đã trả lời bởi chuyên gia
17106
Gửi báo cáo thành công!
