Em hãy vẽ sơ đồ lắp đặt mạch điện gồm một cầu chì một ổ cắm hai công tắc hai cực điều khiển hai bóng đèn theo bốn bước đã học
Quảng cáo
1 câu trả lời 767
Sơ đồ lắp đặt mạch điện gồm hai cầu chì hai ổ cắm điện
Bước 1: Vẽ sơ đồ nguyên lý

Sơ đồ nguyên lý mạch điện gồm hai cầu chì hai ổ cắm điện
Trong sơ đồ này, có 2 cầu chì bảo vệ, 2 ổ cắm điện và 2 đường dây dẫn.
Cầu chì bảo vệ được mắc nối tiếp với nguồn điện để bảo vệ mạch điện khi xảy ra sự cố.
Ổ cắm điện được mắc nối tiếp với cầu chì để cấp điện cho các thiết bị điện.
Bước 2: Vẽ sơ đồ lắp đặt

Sơ đồ lắp đặt mạch điện gồm hai cầu chì hai ổ cắm điện
Trong sơ đồ này, các dây dẫn được mắc nối tiếp với nhau theo thứ tự sau:
Dây dẫn nguồn được nối với cầu chì 1.
Dây dẫn từ cầu chì 1 được nối với ổ cắm điện 1.
Dây dẫn từ ổ cắm điện 1 được nối với cầu chì 2.
Dây dẫn từ cầu chì 2 được nối với ổ cắm điện 2.
Bước 3: Lắp đặt cầu chì
Cầu chì được lắp đặt trong hộp cầu chì. Hộp cầu chì có thể được lắp đặt ở vị trí cách xa nguồn điện hoặc gần nguồn điện.
Khi lắp đặt cầu chì, cần chú ý đến các thông số kỹ thuật của cầu chì, như:
Điện áp định mức của cầu chì
Dòng điện định mức của cầu chì
Bước 4: Lắp đặt ổ cắm điện
Ổ cắm điện được lắp đặt trên tường. Khi lắp đặt ổ cắm điện, cần chú ý đến các thông số kỹ thuật của ổ cắm điện, như:
Điện áp định mức của ổ cắm điện
Dòng điện định mức của ổ cắm điện
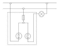
Sơ đồ lắp đặt mạch điện gồm một cầu chì một ổ cắm hai công tắc hai cực điều khiển hai bóng đèn
Bước 1: Vẽ sơ đồ nguyên lý

Sơ đồ nguyên lý mạch điện gồm một cầu chì một ổ cắm hai công tắc hai cực điều khiển hai bóng đèn
Trong sơ đồ này, có 1 cầu chì bảo vệ, 1 ổ cắm điện, 2 công tắc hai cực và 2 bóng đèn.
Cầu chì bảo vệ được mắc nối tiếp với nguồn điện để bảo vệ mạch điện khi xảy ra sự cố.
Ổ cắm điện được mắc nối tiếp với cầu chì để cấp điện cho các thiết bị điện.
Mỗi công tắc hai cực được mắc nối tiếp với một bóng đèn.
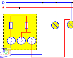
Bước 2: Vẽ sơ đồ lắp đặt

Sơ đồ lắp đặt mạch điện gồm một cầu chì một ổ cắm hai công tắc hai cực điều khiển hai bóng đèn
Trong sơ đồ này, các dây dẫn được mắc nối tiếp với nhau theo thứ tự sau:
Dây dẫn nguồn được nối với cầu chì.
Dây dẫn từ cầu chì được nối với công tắc 1.
Dây dẫn từ công tắc 1 được nối với bóng đèn 1.
Dây dẫn từ bóng đèn 1 được nối với công tắc 2.
Dây dẫn từ công tắc 2 được nối với bóng đèn 2.
Bước 3: Lắp đặt cầu chì
Cầu chì được lắp đặt trong hộp cầu chì. Hộp cầu chì có thể được lắp đặt ở vị trí cách xa nguồn điện hoặc gần nguồn điện.
Khi lắp đặt cầu chì, cần chú ý đến các thông số kỹ thuật của cầu chì, như:
Điện áp định mức của cầu chì
Dòng điện định mức của cầu chì
Bước 4: Lắp đặt ổ cắm điện, công tắc và bóng đèn
Ổ cắm điện, công tắc và bóng đèn được lắp đặt trên tường. Khi lắp đặt các thiết bị này, cần chú ý đến các thông số kỹ thuật của chúng, như:
Điện áp định mức
Dòng điện định mức
Chiều cao lắp đặt
Quảng cáo
Bạn cần hỏi gì?
Câu hỏi hot cùng chủ đề
-
Đã trả lời bởi chuyên gia
94801 -
Hỏi từ APP VIETJACK
Đã trả lời bởi chuyên gia
78109 -
Đã trả lời bởi chuyên gia
51669 -
Đã trả lời bởi chuyên gia
34887 -
Đã trả lời bởi chuyên gia
31826

