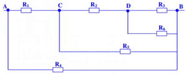
Cho mạch điện như hình vẽ.

Tính điện trở tương đương RAB.
Quảng cáo
1 câu trả lời 519
Mạch điện được vẽ lại như sau:

Điện trở tương đương

R236 = R2 + R36 = 2,5 Ω.

R12356 = R1 + R2356 = 1 Ω.

Quảng cáo
Bạn cần hỏi gì?
Câu hỏi hot cùng chủ đề
-
Đã trả lời bởi chuyên gia
94805 -
Hỏi từ APP VIETJACK
Đã trả lời bởi chuyên gia
78119 -
Đã trả lời bởi chuyên gia
51673 -
Đã trả lời bởi chuyên gia
34944 -
Đã trả lời bởi chuyên gia
31910
Gửi báo cáo thành công!

