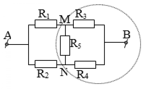
Cho mạch điện như hình vẽ. Biết Ω.
Tính điện trở tương đương của đoạn mạch AB.

Tóm tắt
Ω. Tính điện trở tương đương của đoạn mạch AB.
Tính điện trở tương đương của đoạn mạch AB.
Quảng cáo
1 câu trả lời 479
Xét tỉ số
nên đây là mạch cầu không cân bằng. Để xác định điện trở tương đương ta cần biển đổi mạch.
Chuyển mạch tam giác thành sao


Áp dụng các công thức tìm x, y, z:



Vậy mạch sau khi chuyển ta được [
Điện trở tương đương của mạch là


Quảng cáo
Bạn cần hỏi gì?
Câu hỏi hot cùng chủ đề
-
Đã trả lời bởi chuyên gia
94801 -
Hỏi từ APP VIETJACK
Đã trả lời bởi chuyên gia
78109 -
Đã trả lời bởi chuyên gia
51669 -
Đã trả lời bởi chuyên gia
34887 -
Đã trả lời bởi chuyên gia
31826
Gửi báo cáo thành công!

